
产品介绍:SC6型安全地毯控制器应用于工业安全系统,可与安全地毯配套使用,增强设备安全系统的可靠性,构成更加安全的防护系统。
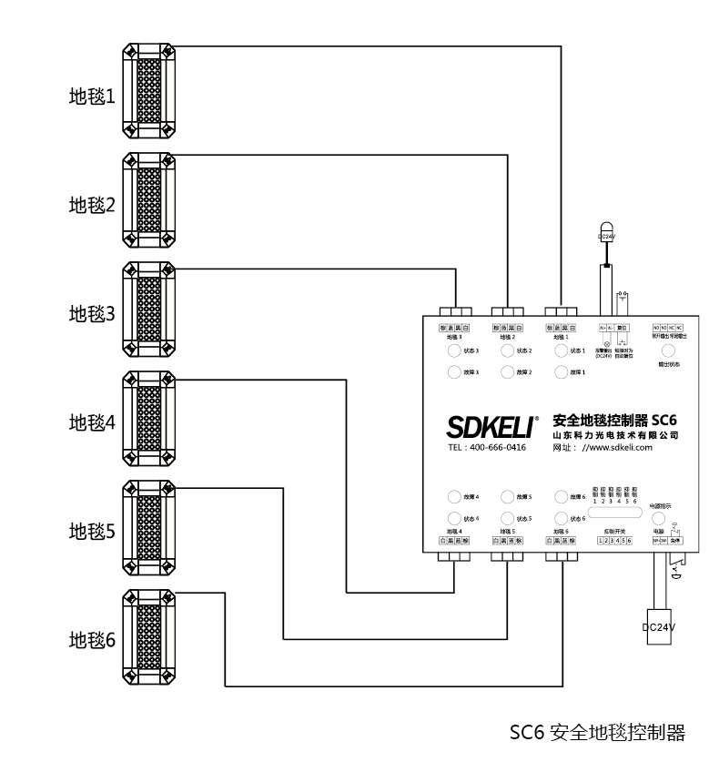
分享到:将每块安全地毯的白黑蓝棕四根线按照下图接到控制器的白、黑、蓝、棕四个端子上,把24V供电的正极和负极分别连接到控制器的24V+、24V-端子,NO和NO为常开输出,NC和NC为常闭输出,AL+、AL-分别接入24V报警器的正负极。复位短接时为自动复位,若改为手动复位可增加自动复位、常开复位按钮。2芯电源标准线长1.5m4芯输出线标准线长2m
SC6型安全地毯控制器使用 Φ5.5螺钉安装在电器柜或墙壁上,其尺寸如下图所示

| 参考标准 | EN/IEC61496-1(Type4 ESPE) | |
|---|---|---|
| 执行标准 | ISO 13849-1(Cat.4); 2004/108/EC(EMC指令); 2006/42/EC(机械安全指令) | |
| 环境温度 | 工作 | -10℃~55℃(无结霜及凝雾) |
| 存储 | -30℃~70℃ | |
| 环境湿度 | 工作 | 35%RH~85%RH |
| 存储 | 35%RH~95%RH | |
| 抗振能力 | 频率10~55Hz,振幅0.35±0.05mm,X、Y及Z方向各20次 | |
| 抗冲击能力 | 加速度100m/s2,脉冲持续时间16ms,X、Y及Z方向各1000次 | |
| 防护等级 | IP50 | |
| 电源电压 | DC24V±10% | |
| 功耗 | ≤3W | |
| 响应时间 | <20ms | |
| 安全输出 | 1常开1常闭无源触点 | |
| 负载能力 | AC15:5A/250V | |
| DC13:5A/24V | ||
| 上电启动时间 | <1s | |
| 检测功能 |
上电自检 工作过程中实时自检 |
|
| 保护电路 | 过压过流保护 | |
| 状态指示 | POWER:红色,上电时亮 | |
| ERR:红色,地毯故障时亮 | ||
| ON:绿色,输出继电器吸合时亮 | ||
| OFF:红色,输出继电器释放时亮 | ||
| 介电强度 | AC1500V,60s无击穿或闪络 | |
| 实现功能 | 安全地毯的实时监控 | |
| 控制输出的复位形式设置;报警输出的复位形式设置 | ||
| 抑制功能 | ||
| 继电器寿命 | 电气寿命:≥100万次 | |
| 机械寿命:≥1000万次 | ||
| 外形尺寸(mm) | 156×142×32mm | |


科力光电版权所有 2018-2028 网站备案号:鲁ICP备14008611号-1